MARKALAR
BİLTEK ELEKTRİK OTOMASYON ÜRETİM SAN. VE TİC.LTD. ŞTİ.
MARKALAR
SCHUNK  APS-M1S Mekanik Piston Silindir Sensör
SCHUNK APS-M1S Mekanik Piston Silindir Sensör
Ürün Kodu
APS-M1S
Ürünün Markası
Piston Sensör - Silindir Sensör

SCHUNK  APS-M1S Mekanik Piston Silindir Sensör

Mekanik analog sensör, tutucu çenelerin yerleştirilmesinin doğru bir şekilde kaydedilmesini sağlar.
 
Uygulama alanı
temiz ortamlarda tutucu çene pozisyonunun hassas ölçümü için
 
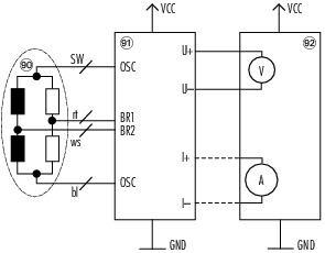
Manyetik piston sensörlerinin (cylinder sensor ) çalışma prensibi manyetik sensörler ile aynıdır. Tek fark bu sensörlerin piston üzerinde çalışmak üzere tasarlamış olmalarıdır. Tabii ki piston içerisinde algılamanın bir parçası olan mıknatısın bulunması zorunludur. SCHUNK Türkiye
Piston hızı/hassasiyet Manyetik silindir sensörleri alüminyum, pirinç ve paslanmaz çelikten yapılmış pistonlara adapte edilebilirler. 
5m/s piston hızına kadar sensörler sorunsuz olarak algılama yapabilirler. Pnömatik silindir sensörlerinin manyetik endüksiyonu 5 ve 25 mTesla aralığındadır. 
3m Teslalık bir manyetik endüksiyon, sensörü tetiklemek için yeterlidir. Algılama mesafesi silindirin çap, kalınlık ve manyetik endüksiyonuna bağlı olarak 5 ile 20mm aralığındadır. Bu mesafenin algılama toleransı 1mm dir.
Manyetik piston  sensör’leri  üzerinde çalışacağı pnomatik silindir modeline bağlı olarak da (T slot , C slot ,4x4 ,ıso vb.) değişik tiplere sahiptir. Değişik tip silindirler için uygun montaj ayakları kullanarak adaptasyon yapılabilir.
Manyetik sensörler çıkış tiplerine göre Reed ve elektronik olarak ikiye ayrılır ( reed , pnp , npn , solid state out) 
Özellikler
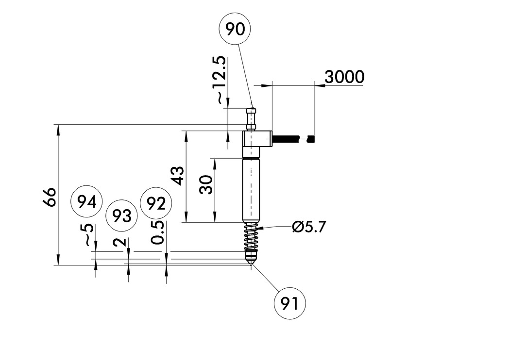
Teknik veriler APS-M1S
İD 0302062
Ölçüm inme [mm] 2
Ölçüm doğruluğu [mm] 0.004
Nominal akım [A] 0.023
Koruma sınıfı IP 67
Sıcaklık kayması sıfır sinyali [% / 10K] 0.1
Amplifikasyon faktörünün termal kayması [% / 10K] 0.2
Min. ortam sıcaklığı [° C] 10
Maks. ortam sıcaklığı [° C] 60
Ürün ağırlığı [kg] 0.16